| Sign In | Join Free | My spintoband.com |
|
Brand Name : CXDLV
Model Number : H42
Certification : ISO9001:2008&PED
Place of Origin : China
MOQ : 1 Piece
Price : Negotiation
Payment Terms : L/C, T/T, Western Union
Delivery Time : 7-30 days
Packaging Details : Suitable Polywood Cases according to different valves structure
Disc Material : CF8M/CF8/CF3/CF3M/WCB
Temperature : -29℃~500℃
Size : DN15~DN250
Pressure : PN16/PN25/PN40
Standard : GB/ANSI/JIS
Connection : Flange end
SUS304 Stainless Steel Flanged Non Return Lift Check Valve
Specifications
- Design and manufacture: GB/T12235
- Face to face dimensions: GB/T12221
- End flange dimension: JB/T79
- Pressure test: JB/T9092
Application
The valve disc of the lift flange check valve is raised to the center position. Bush is made of special materials having excellent wear resistance and low frictional coefficient. Lift check vale is widely utilized for pipe lines in petroleum, chemical engineering, power and other industries

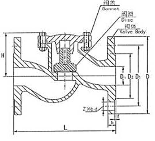
| DN | L | D | D1 | D2 | b | Z-φd | H |
| 15 | 130 | 95 | 65 | 45 | 14 | 4-14 | 77 |
| 20 | 150 | 105 | 75 | 55 | 14 | 4-14 | 77 |
| 25 | 160 | 115 | 85 | 65 | 14 | 4-14 | 80 |
| 32 | 180 | 135 | 100 | 78 | 16 | 4-18 | 85 |
| 40 | 200 | 145 | 110 | 85 | 16 | 4-18 | 95 |
| 50 | 230 | 160 | 125 | 100 | 16 | 4-18 | 105 |
Feature
1.The selection of materials is in line with domestic and foreign related standards, and the overall quality of materials is high.
2.The sealing pair of the flange lifting check valve is advanced and reasonable. The sealing surface of the valve disc and the valve seat is made of iron-based alloy or Stellite cobalt-based hard alloy surfacing surface, which is wear-resistant and high-temperature resistant. Good corrosion resistance, scratch resistance and long service life.
3.The flange lifting check valve is designed and manufactured according to the national standard GB/T12235.
4.They are not only widely used in general industries as petroleum, coal gas, chemical engineering, water treatment, but also used in the cooling water system of thermal power plant.
Package&Delivery
Packing Details: We choose suitable wood cases according to different valves and arrange skilled workers to pack in case of bruise. Long term cooperated forwarder will book space, clear customs and transport for us without delay. There are three ways for transportation, by sea, by air and by train. We will arrange transportation according to customers' needs.
Delivery Details: according to the order, 7~60days
FAQ
Q: Are you trading company or manufacturer ?
A: We are a factory.
Q: How long is your delivery time?
A: According to the order,7~60days.
Q: Do you provide samples ? is it free or extra ?
A: Yes, we could offer the sample for free charge but do not pay the cost of freight.
Q: What is your terms of payment ?
A: Payment<=1000USD, 100% in advance. Payment>=1000USD, 30% T/T in advance ,balance before shippment.
|
|
Flanged Non Return SUS304 Lift Check Valve Images |